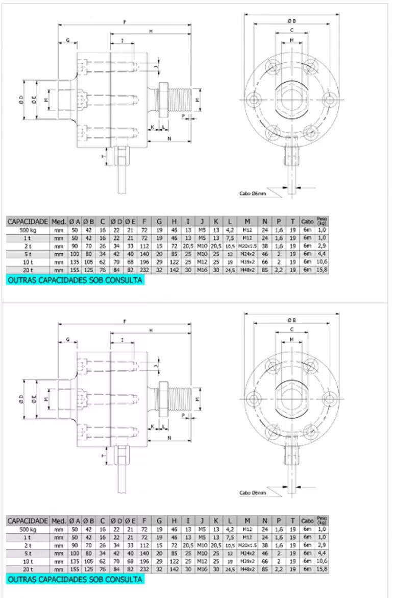
Célula de Carga MC2B capacidade 500kg a 20T é ideal para aplicações em ensaios de laboratório e tarefas desafiadoras na produção. São células de carga de alta precisão usadas para certificação de medição de força em células de carga ou materiais.
Célula de carga MC2B de simetria rotacional e baixo perfil possui múltiplos usos em aplicações em testes de ensaio, máquinas de teste de materiais e tarefas que exigem precisão absoluta. Forças de tração e compressão podem ser medidas com mínimo desvio de linearidade, histerese e repetibilidade. Produzida em aço inoxidável com grau de proteção IP68 e compensação elétrica dos momentos fletores: Momentos fletores como por exemplo, resultante da aplicação de esforços laterais, não impactam nos resultados da medição. O sensor MC2B se adapta as tarefas de medição com a máxima precisão e total confiabilidade
Aplicação
- Uso geral na Medida de Esforços de Tração e Compressão.
- Conversão de Balanças Mecânicas p/ Eletrônicas.
- Máquinas de Teste e Ensaios de Materiais.
- Testes de Potência e Ensaios de Motores.
- Pesagem à Tração e Compressão.